协作机器人用 磁力吸附单元

SMC自动化有限公司

协作机器人用 磁力吸附单元01
协作机器人用 磁力吸附单元02
协作机器人用 磁力吸附单元03
协作机器人用 磁力吸附单元09
协作机器人用 磁力吸附单元10

适合川崎重工duAro1、2系列
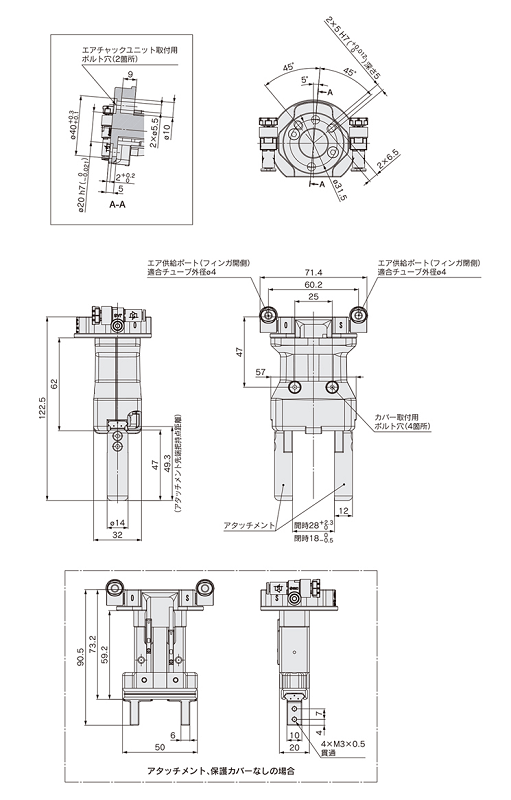
・空气驱动,体积小、重量轻但夹持力大
・导向机构一体化构造,实现了高刚性、高精度
 采用高精度直线导轨:重复定位精度:±0.01mm
 采用更高等级的直线导轨:刚性提高
・速度调节机构一体化
・采用分离式防护罩,易于维护夹爪
・可选择是否带安装件、防护罩、磁性开关能

机器人规格

  • 对应机器人duAro1(D控制柜、F控制柜) / duAro2(F控制柜)

资料下载

  • 手动的 / 技术文件 / 其他下载

有关产品文档、技术文档等,请通过上述产品链接获取
有关布线/管道的详细信息,请参见《duo,使用说明书》
也可用于法兰安装面一致的川崎机器人。请通过以下方式咨询

应用视频